工业设计与机械设计的联系
浏览次数:119
对于大多数人来说,工业设计和机械设计的概念往往是模糊的,无法区分它们之间的联系和区别。那么,如何理解工业设计与机械设计的联系呢?工业设计和机械设计虽然本质不同,但是相辅相成。机械设计没有工业设计美...
全站搜索
筛选
浏览次数:119
对于大多数人来说,工业设计和机械设计的概念往往是模糊的,无法区分它们之间的联系和区别。那么,如何理解工业设计与机械设计的联系呢?工业设计和机械设计虽然本质不同,但是相辅相成。机械设计没有工业设计美...
浏览次数:97
基准重合时工序尺寸与公差的确定 1.确定各加工工序的加工余量 2.从最后工序开始,即从设计尺寸开始到第一道加工工序,逐次加上每道加工工序余量,得各工序基本尺寸(包括毛坯尺寸)。 3.除最后工序,其余工序...
浏览次数:92
编码器(encoder)是将信号(如比特流)或数据进行编制、转换为可用以通讯、传输和存储的信号形式的设备。编码器把角位移或直线位移转换成电信号,前者称为码盘,后者称为码尺。按照读出方式编码器可以分为接触式...
浏览次数:186
1.知识要点 (1)螺栓联接 (2)螺柱联接 (3)螺钉联接 2.机械制图教学方法 对六角头螺栓和螺母的画法要介绍比例画法和简化画法,要说明螺母比例画法也适用于非标准件,本讲比较枯燥乏味,讲解时要注意把规定画...
浏览次数:88
1.知识要点 (1)螺栓联接 (2)螺柱联接 (3)螺钉联接 2.机械制图教学方法 对六角头螺栓和螺母的画法要介绍比例画法和简化画法,要说明螺母比例画法也适用于非标准件,本讲比较枯燥乏味,讲解时要注意把规定画...
浏览次数:103
机械结构设计的任务 机械结构设计的任务是在总体设计的基础上,根据所确定的原理方案,确定并绘出具体的结构图,以体现所要求的功能。是将抽象的工作原理具体化为某类构件或零部件,具体内容为在确定结构件的材料...
浏览次数:132
导 建筑电气包括:供配电系统;照明系统;减灾系统(包括安全用电、防雷、接地、防火、防盗、防空和防爆等);信息系统(包括电视、广播与音响、网络、电脑管理系统、楼宇自控等)。 强电:供电、配电、照明、控...
浏览次数:93
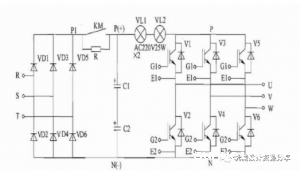
变频器假负载的原理就是用一个来限流的电阻,当模块驱动不正常发生模块短路时保住模块,通常采用灯泡作假负载,电源是380v的用两个220/60w串联,用灯泡的优点是其会发光,当启动变频器(不能接电机)后灯泡亮了,...
浏览次数:123
基准重合时工序尺寸与公差的确定 1.确定各加工工序的加工余量2.从最后工序开始,即从设计尺寸开始到第一道加工工序,逐次加上每道加工工序余量,得各工序基本尺寸(包括毛坯尺寸)。3.除最后工序,其...
浏览次数:85
伴随技术的进步,模块化的系统和组件越来越精细,用起来更加方便,给工程师的设计和功能实现带来了很大便利,同时对工程师的知识面也带来了更大的挑战,工程师需要了解学习和使用的知识越来越多,以下便是自动...