非标设计工作是一项很艰苦的工作,掌握好思路才是王道!
浏览次数:107
非标设计,主要是指非标机械设计,简单地说就是非标准设备以及非标准件、非标准工装的设计。 非标准机械就是没有定型的机械产品,一般在市场上直接买不着,要向厂家定制。同样功能的机械其大小,形制等都有可...
全站搜索
筛选
浏览次数:107
非标设计,主要是指非标机械设计,简单地说就是非标准设备以及非标准件、非标准工装的设计。 非标准机械就是没有定型的机械产品,一般在市场上直接买不着,要向厂家定制。同样功能的机械其大小,形制等都有可...
浏览次数:101
本文分析了机械加工的九大误差,避免这些误差,您在机加工上就能更进一步了。 机械加工误差是指零件加工后的实际几何参数(几何尺寸、几何形状和相互位置)与理想几何参数之间偏差的程度。 零件加工后实际几何参...
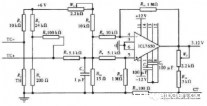
浏览次数:111
1、为了获得具有良好稳定性的反馈电路,通常要求在反馈环外面使用一个小电阻或扼流圈给容性负载提供一个缓冲。 2、积分反馈电路通常需要一个小电阻(约 560 欧)与每个大于 10pF 的积分电容串联。 3、在反馈环外...
浏览次数:104
“各种类型的轴承,因设计各异而具有不同的特性。由于轴承的具体安装部位以及应用场合的多变性与复杂性,轴承类型选择无固定模式可循为适应某种主机特定的安装部位和应用条件进行轴承类型选择时,建议依据以下几个...
浏览次数:93
1、单相变压器空载时的电流与主磁通不同相位,存在一个相位角度差aFe,因为存在铁耗电流。空载电流是尖顶波形,因为其中有较大的三次谐波。 2、直流电机电枢绕组中流动的也是交流电流。但其励磁绕组中流的是直流...
浏览次数:114
大家都知道,不管多么精准的加工或控制手段,工件的实际加工尺寸都会与理想尺寸有差异,绝对的实际尺寸与理想尺寸相等是不可能的,只能说越精确的控制,实际尺寸越接近理想尺寸而已。 但也并不是说只有在理想状态...
浏览次数:185
小编说:从事非标设计行业好几年了,一直没有去想这个行业做什么?小编从事汽车物流方向的非标设计,当然了,非标设计行业的细分领域很多的。由于个人的工作局限性,谈下自己的浅薄的认识。 非标机械设计具体是什...
浏览次数:216
总有人要问,为什么工程图和机械图纸都是蓝色的?大家也许都知道蓝图一词便是源自于此。其实之所以这些图纸都是蓝色的,是因为同他们的绘制方法有关的。这些图纸不是画出来的,也不是打印出来的,...
浏览次数:101
几乎在所有冲压模具中,都会用到大量的弹性原件,弹簧。而在这些弹性原件中,包含各种不同的弹性标准件、优力胶、氮气弹簧等等,依照不同的需求选用不同的弹性原件。比如像折弯、冲孔,用一般常见的矩形弹性原件...
浏览次数:82
本规定适用于石油化工装置闸阀、截止阀、球阀、蝶阀和减压阀的设置。止回阀、安全阀、调节阀、疏水阀的设置见各有关规定。本规定不适用于地下给排水管道上阀门的设置。 1 、阀门的布置原则 1.1 阀门应根据管道及...