13296444375

全站搜索

首页 / bet雷竞技 / 什么是假负载?如何利用假负载维修变频器?
返回

什么是假负载?如何利用假负载维修变频器?

浏览次数:89 分类:bet雷竞技 分类:行业新闻

变频器假负载的原理就是用一个来限流的电阻,当模块驱动不正常发生模块短路时保住模块,通常采用灯泡作假负载,电源是380v的用两个220/60w串联,用灯泡的优点是其会发光,当启动变频器(不能接电机)后灯泡亮了,就说明有不正常情况。这个电阻起到限流作用,当模块有短路时也不会把模块烧掉,等开机后测量变频器输出正常,才把这假负载撤掉。

以下通过一个使用实例来说明变频器假负载的用法:
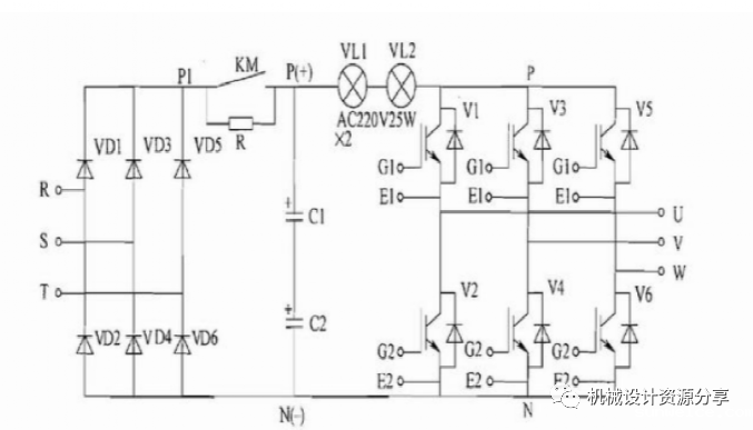
变频器假负载如何连接:假负载连接在直流储能电容与三相IGBT之间,在电路中一般为连接铜排或快熔,有快熔的直接连接即可,无快熔拆去一段连接铜排即可,实际上就是将三相逆变IGBT正电源与直流储能电容之间断开。必须在电容后面,如在充电接触器之间,直流电容储能的电量,在逆变电路出现问题时足以将IGBT炸掉。
在断开点加入两只25w 220V供电的灯泡,采用两只的目的为直流回路电压为540V左右,单只灯泡的耐压不够。当逆变电路出现问题的时候,灯泡有限流的作用,保护逆变模块。

86638e10999845657c5819907e34a278

上电过程:
空载:输出不接负载,如上电后出现以下几种情况
A:变频器不运行,一上电灯泡就亮,说明三只逆变模块中至少有一只上下桥IGBT 漏电,这种问题,有些时候低电压的时候不会表征出来,但接上直流540V高压时,出现了较大的漏电流,说明模块内部绝缘有问题。出现此种问题可以单只IGBT拆除,如拆掉U相灯泡不亮了,那就说明U相坏了。
B:上电后无问题,但是一运行就亮,灯泡的亮度随频率的变化而变化。说明三相模块中出现了一相上桥或下桥损坏的情况。举例说明,假设U相上桥V1收到触发激励信号而饱和导通,已经损坏的U相下桥V2与已经饱和导通的V1就形成了电源的短路,故而发光。
C:上电后与运行都不亮,此时可以使用指针表的交流档测量三相输出电压,是否随频率增长均匀增长而且三相平衡。此时说明模块基本问题不大,可以带上负荷实验了。
D:上电与运行灯泡都不亮,测量三相输出的电压不平衡,那就说明某相IGBT内部开路,造成导通内阻增大,接近开路状态。  出现此种问题如何测量:
1、使用指针万用表的直流档测量三相输出与地或进线零线间的电压,正常情况下直流成分几乎为零,如果出现直流电压说明其中某相上下桥的一个桥导通不良,导致输出的正负半波不对称。

2、测量三项输出与直流母线电压的正负端,正常情况下均分直流母线电压,如果出现某相测量的时候大于母线电压的二分之一或直接接近母线电压说明此相IGBT半桥导通不良。

但是也要注意几个问题:

1、要接在电容与模块之间,不是接在整流与电容之间,因为电容放电就足以烧坏模块。

2、当开关电源供电是经过快熔时,就不能把假负载放在快熔上,不 然送电后灯泡会亮,开关电源有时不工作!

3、假负载也要接在直流电压检测点后面,这样当变频器输出不正常电灯亮时,变频器就不会跳“低压”,你才可检查是哪一路输出有故障!

假负载深受变频器维修新手的欢迎,因为假负载简单易做,成本低,有了它就可放心直接装上模块试机,可以保住了不少模块,也不必经常用示波器看波形,变频器输出电压平衡则基本大功告成。不过这些只适用于功率不大的变频器,像有些七八十KW,上百KW的变频器,是不可能有这么大的电源容量,这就需要厂房和专业实验设备。维修后的变频器,最好还是能按照变频器的型式试验去做,再交付给用户,这才是最保险可靠的方法。

点击取消回复

    分类

    在线客服x

    客服
    顶部 回到顶部
    Baidu
    map