13296444375

全站搜索

首页 / app雷竞技 / CAD机械制图培训 / CAD机械制图培训
返回

CAD机械制图培训

浏览次数:429 分类:CAD机械制图培训 分类:机械制图培训

行业前景           

《中国制造2025》提出:加快机械、航空、船舶、汽车、轻工、纺织、食品、电子等行业生产设备的智能化改造,提高精准制造、敏捷制造能力;统筹布局和推动智能交通工具、智能工程机械、服务机器人、智能家电、智能照明电器、可穿戴设备等产品研发和产业化;发展基于互联网的个性化定制、众包设计、云制造等新型制造模式,推动形成基于消费需求动态感知的研发、制造和产业组织方式等。到了2025年,智能制造相关领域的青年人才缺口将高达450万,目前好多公司急需机械制图技术员,高中以上学历的有志青年进入大有可为

招生对象

1.未从事机械相关工作的零基础人员;

2.从事机械相关工作的现场操作普工;

3.从事机械相关装配、维修技师;

4.公司老板和主管;

课程特色

本课程主要讲机械制图相关基础知识,包括剖视图、三视图角法、表面粗糙度、公差与配合、形位公差等;AutoCAD绘图命令的使用;对象图层、颜色、线型的设置;标注样式、文字样式的设置;标注尺寸公差设置;临时块与永久块的使用;图框的制作与使用;产品零件出图标数与图纸打印。

培训目标

1.根据不同角法看懂较复杂三视图图纸;

2.按照客户提供图片或实物绘制出CAD图纸;

3.配合客户更改产品或零件图纸;

4.出产品零件加工图;

 

201 图片111(1)

图2片1

CAD培训现场

课程大纲

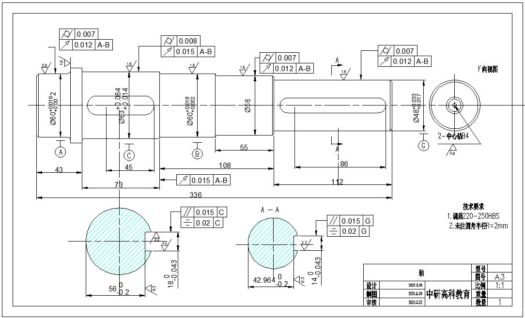
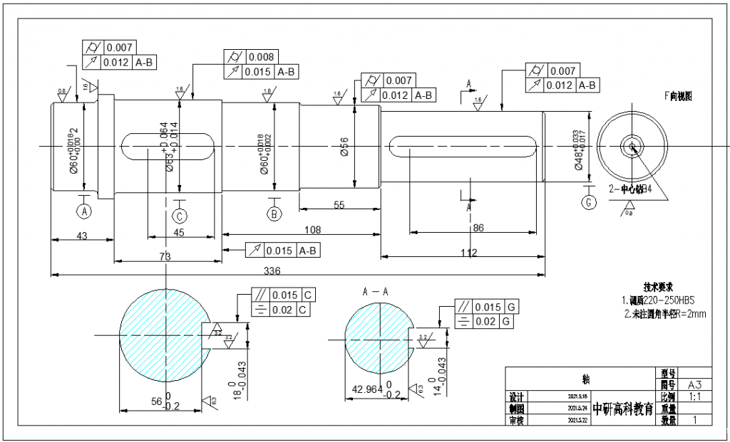
第1课      机械制图基础知识

图3片1

 

第2课      CAD软件界面介绍及简单绘图命令

第3课      利用极坐标绘图

图4片1

 

第4课      绘图案例讲解(1)

第5课      绘图案例讲解(2)

第6课      绘图案例讲解(3)

第7课      绘图案例讲解(4)

5图片1

图片81

第8课      图层、颜色、线型的设置

第9课      标注样式、文字样式的设置

 

第10课      标注尺寸公差设置

 

第11课      文字编辑与应用

 

第12课      块的设置与应用

 

 

第13课      工程图的绘制与标注

 

 

第14课      图框制作与打印

 

图片110

 

 

点击取消回复

    分类

    在线客服x

    客服
    顶部 回到顶部
    Baidu
    map