13296444375

全站搜索

首页 / app雷竞技 / CAD机械制图培训 / CAD机械制图培训
返回

CAD机械制图培训

浏览次数:1658 分类:CAD机械制图培训 分类:app雷竞技

培训对象:机械设计机械制图人员、在校本科、高职高专、大学生。

专业对象:机械设计及自动化专业学生、机电一体化专业、数控专业、模具设计专业机械制图机械设计课程

电脑绘图:cad电脑绘图三维机械绘图软件solidworks、ug、proe、cimatronE、solidager

手工绘图:用最常用的绘图工具:直尺、圆规、三角板根据实物绘制三视图

一、 培训范围

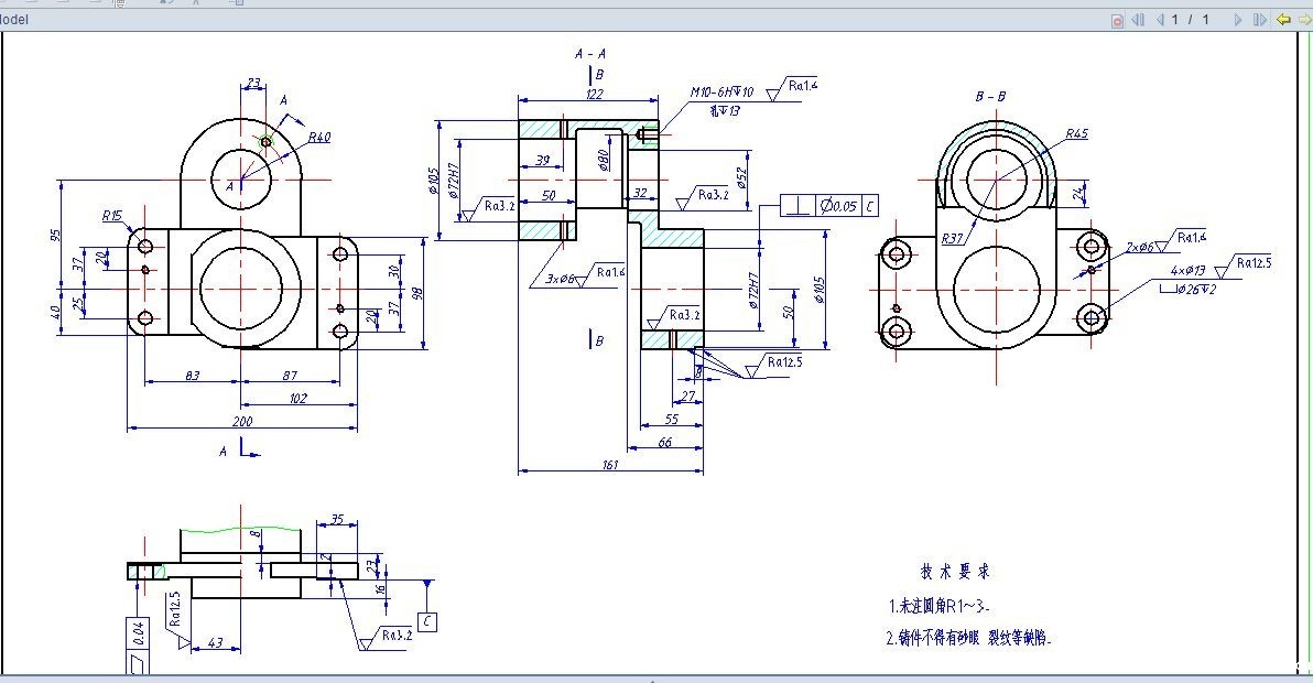
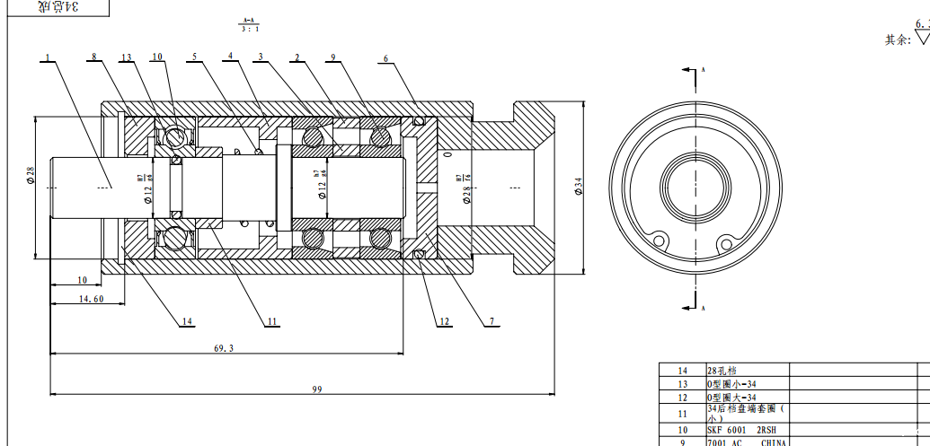
机械/模具图纸的识读:

1、机械图样中的技术要求:表面粗糙度、极限公差、配合公差,形位公差。

2、零件图识读与实物测绘、轴套类、盘盖类、箱壳类、叉架类零件。

3、装配图的识读:读装配图的方法与步骤,由装配图拆画零件图。(机械/模具行业必修课程)

机械零件的表达:1、图样的基本表示法:视图、剖视图、局部放大图、简化画法及其它规定。 2、常用件的特殊表示法:螺纹及螺纹紧固件、齿轮的几何要素及画法、键、销、弹簧、滚动轴承、中心孔。

二、培训目的

了解机械制图中国家标准的有关规定,掌握识图中的各种注意事项,能够读懂基本的零件图、装配图,以及绘制简单的零件图。

三、培训内容

1 图纸幅面

1.1绘制图样时,应优先采用下表中规定的图号,各图号幅面按约二分之一的关系递减。

1.2图纸应画有图框,其格式如图2、图3、图4、图5所示,图2、图3为留有装订边的图框格式,图4、图5为不留装订边的图框格式。在图纸上必须用粗实线画出图框。

1.3为了绘制的图样便于查阅和管理,每张图纸都必须有标题栏。 标题栏应位于图框的右下角, 看图方向应与标题栏方向一致。标题栏一般由更改区、签字区、名称及代号区、其他区组成,也可按实际需要增加或减少。

1.4在装配图中一般应有明细栏,其一般配置在装配图中标题栏的上方,按由下而上的顺序填写。明细栏一般由序号、代号、名称、数量

培训对象:培训对象:零基础入学,从事机械模具工作的相关人员,从事机械行业的中小企业老板、大中专、本科、研究毕业生,以及工作中需要用到二维三维机械设计、机械零件装配仿真、工程制图、机械绘图,受力分析、solidworks三维建模、三维机械动画设计、三维机械设计人员。

点击取消回复

    分类

    在线客服x

    客服
    顶部 回到顶部
    Baidu
    map