13296444375

全站搜索

首页 / bet雷竞技 / 三款经典的顺序启停控制电路讲解,用处很大!
返回

三款经典的顺序启停控制电路讲解,用处很大!

浏览次数:208 分类:bet雷竞技 分类:行业新闻

有些生产机械有两台以上的电动机,因为他们所起的作用各不相同,有时必须按一定的顺序启动,才能保证正常生产。今天给大家分享三张不同的控制线路图,值得你收藏。

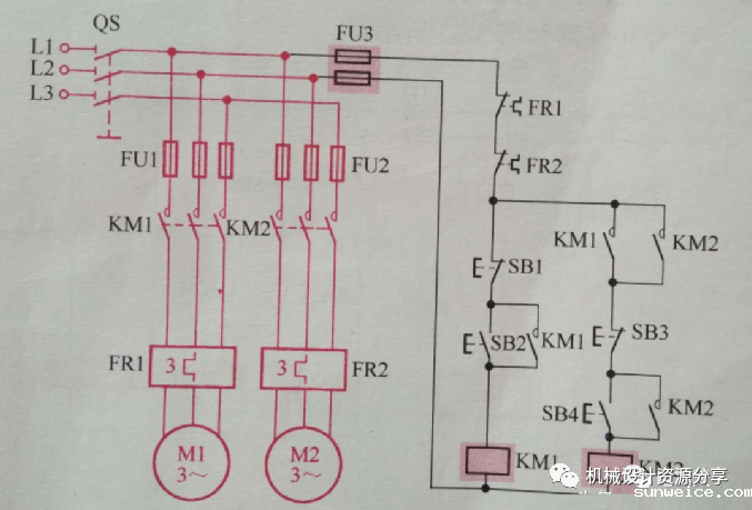
两台电动机按顺序起动同时停止的控制线路图。三种星形三角形降压启动线路,前辈留下的经典不敢独吞,拿走不谢  

启动时按下SB2,接触器km1得电吸合并自锁,其主触点闭合,电动机m1启动运转。接触器km1的辅助触点闭合,为接触器km2得电做准备。如果要启动电动机M2,此时只需要接着按下启动按钮SB3,接触器km2就会得电吸合并自锁,电动机m2启动运转。

按下停止按钮SB1,两个接触器同时断电释放,两个电动机同时停止运转。

 f4ca0b1b9fc4950c934990b908b45d02

两台电动机按顺序起动同时停止的控制线路图。

两台电动机按顺序起动分开停止的控制线路图。  

两台电动机在按顺序启动后,第二台电动机就不再受限于第一台电动机。也就是说,第二台电动机必须在第一台电动机启动后才能启动,但当第一台电动机停转后第二台电动机仍然保持运转。

按下启动按钮SB2,接触器km1得电吸合并自锁,其主触点闭合电动机m1启动运转。接触器km1的常开触点作为先决条件串联在接触器km2的线圈控制线路中。保证电动机m1启动后m2才能启动。按下启动按钮SB4接触器km得电吸合锁电动机m2启动运转。

停止的时候两台电动机互不受限制。

按下停止按钮SB1,接触器km1断电释放,主触点断开,电动机m1停止运转。由于接触器km2的常开辅助触点并联在km1常开辅助触点的两端,所以在接触去km1断电释放,电动机m1停止运转后,电动机m2仍然保持运转。需要停止电动机m2时,按下SB3,接触器km2断电释放,电动机m2停止运转。

也可以先停止电动机m2。

e5e5a451eb8f2420d8ac746905a4f203

两台电动机按顺序起动分开停止的控制线路图。

自动切换的两台电动机按顺序起动逆序停止线路图。  

本线路在控制设备的启动时,先启动电动机m1,延时自动启动电动机m2,而在停止时则相反,要先停止电动机m2再延时自动停止电动机m1。

启动时按下启动按钮SB2,得电延时时间继电器kt1和断电延时时间继电器kt2的线圈同时得电吸合,而且kt1不延时瞬间动作触点闭合自锁。kt2断电延时断开的常开触点闭合,接触器km1线圈得电吸合,其主触点闭合,电动机m1启动。

经过一定延时后,kt1延时闭合常开触点闭合,交流接触器km2线圈得电吸合,其主触点闭合,电动机m2启动。

停止时则按下停止按钮SB1,kt1,kt2的线圈都断电释放。Kt1得电延时闭合的常开触点恢复常开,km2线圈断电释放,电动机m2停止工作。经过一定延时后,kt2断电延时断开的常开触点恢复常开,接触器km1线圈断电释放,电动机m1停止运转。

9958de16968824b6a68aa11b9f197962

自动切换的两台电动机按顺序起动逆序停止线路图。

点击取消回复

    分类

    在线客服x

    客服
    顶部 回到顶部
    Baidu
    map