13296444375

全站搜索

首页 / bet雷竞技 / 装配图应该标注哪些尺寸?
返回

装配图应该标注哪些尺寸?

浏览次数:106 分类:bet雷竞技 分类:行业新闻

装配图的尺寸标注要求与零件图的尺寸标注要求不同,它不需要标注每个零件的全部尺寸,只需标注一些必要尺寸,这些必要尺寸可按其作用不同大致归纳为以下几类

f4626d94ac3a97e04041f6abdadf6672

一、规格尺寸
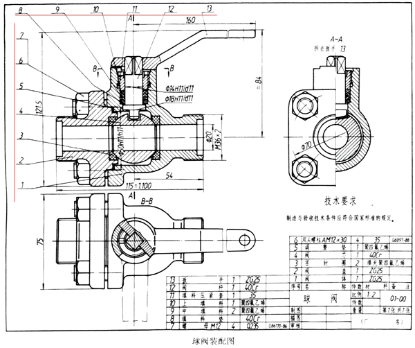
    用以表明机器(或部件)的性能或规格的尺寸。这类尺寸一般在任务书中就已确定,它是设计、了解和选用该机器或部件时的主要依据,如上图所示球阀的阀体和阀盖的通孔直径φ20。
二、装配尺寸
    为了保证机器或部件的性能和质量,装配图中需注出相关零件间有装配要求的尺寸。
1.配合尺寸
    凡两零件有配合要求时,必须注出配合尺寸,如图所示球阀的阀体和阀盖的配合尺寸,阀杆和阀体的配合尺寸等。
2.重要的相对位置尺寸
    装配时,相关零件间必须保证的距离、间隙等相对位置尺寸,如图所示球阀通孔中心到扳手的距离82mm,阀杆至右端面的距离46mm。
3.连接尺寸
    装配图中一般应标注连接尺寸以表明螺纹紧固件、键、销、滚动轴承等标准零、部件的规格尺寸(通常填写在明细栏中),如图中螺纹压环与阀体连接螺纹的尺寸M22x1.5 和标题栏中的螺柱M10x20、螺母M10等。
三、安装尺寸
    机器或部件安装到其它零、部件或基座上的相关尺寸称为安装尺寸。如上图所示球阀的接口尺寸M40x2等。
四、外形尺寸
   外形尺寸是机器或部件的总长、总高、总宽尺寸,它反映了机器或部件的总体大小,为安装、包装、运输等提供所占空间尺寸的大小。如图的外形尺寸114mm。

点击取消回复

    分类

    在线客服x

    客服
    顶部 回到顶部
    Baidu
    map