13296444375

全站搜索

首页 / bet雷竞技 / 机械制图基础知识之零件图基本内容
返回

机械制图基础知识之零件图基本内容

浏览次数:1467 分类:bet雷竞技 分类:行业新闻

济南海马工业(机械)设计中心是一家致力于机械设备单机、生产线研发;技术创新,新产品研发、工程设计咨询、自动化流水线设计,改造,产品图纸标准化的科研机构。可以根据设备在不同的情况下不同用途的需求,遵照参数自行设计,使其满足特定性能和功能,并对成本严格控制。我们以快速高效的反应速度,为中小企业及个人提供简洁有效的解决方案,科学合理的收费标准,完善健全的定制化服务;为全国中小企业提供优质的服务和技术支撑。

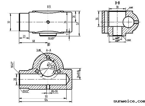
一、零件图的基本内容

1.一组视图

采用各种形体表达方法,表达零件的内外形和结构,如图主视图表达蝴蝶阀的外部结构、俯视图和左视图表达蝴蝶阀的内部结构。零件图中视图的数量可多可少,在明确表达零件的前提下,应使视图(包括剖视图和断面图)的数量为最少。

微信图片_20220507094946

2.完整的尺寸

零件图中应注出制造零件所需的全部尺寸。图中注出了制造蝴蝶阀的全部尺寸。

3.技术要求

在零件图上,可用文字、数字和代号表示零件在制造和检验时应达到的技术指标。如图中右下角直接用文字表示技术要求;图中用符号

等表示零件的表面粗糙度及其高度参数;尺寸26±0.04表示基本尺寸26的公差带代号和上、下偏差值。

4.标题栏

在图纸右下角的标题栏中,注写该零件的名称、数量、材料、画图的比例、图纸编号以及设计、审核人员的签名等。

二、断面图的表达方法

1断面的概念

想用剖切面将物体某部分切断,仅画出该剖切面与物体接触部分的图形称断面图,简称为断面。断面上应画出剖面线,如图(a)所示。而剖视需画出剖切面后方结构的投影,如图(b)所示。

断面一般用于表达物体某一部分的切断面形状,如轴及实心杆上孔槽等结构的形状。为获得物体结构实形,剖切面一般应垂直物体的主要轮廓或轴线。

断面的概念

2移出断面

断面可分为移出断面和重合断面。

画在视图轮廓外的断面叫移出断面。其轮廓线用粗实线绘制。

移出断面的画法

一、移出断面的画法

1.当剖切面通过非圆孔,会导致出现完全分离的两个断面时,这些结构按剖视绘制,如图(a)所示。

2.剖切面通过圆孔、圆坑的轴线时,断面中这些结构按剖视画出,如图(b)所示。

移出断面画法
2.断面在剖切线延长线上,且断面形状不对称时,剖切符号需加画箭头,表示剖切位置和投射方向,如图(a)所示;断面不在剖切线延长线上,且断面形状不对称时,还需加注大写字母作断面名称,如图(b)所示。

移出断面的标注

3.断面不在剖切线延长线上,还需加注大写字母作断面名称,如“A-A”。

移出断面的标注

4.倾斜断面转平画出时,断面图形上方需标注大写字母作名字,同时加注旋转符号。

移出断面的标注

3、断面的一些特殊画法

1.移出断面图形对称时,也可画在视图的中断处。

移出断面画法

2.由两个相交平面剖切出的移出断面,中间应断开。

移出断面画法

3.在不致引起误解时,图样中的移出断面,允许省略剖面符号,但剖切位置和断面图的标注必须遵守规定。

移出断面的简化画法

4、重合断面图

画在图样内的断面叫重合断面。

重合断面的轮廓线用细实线画出,当它与视图中轮廓线重叠时,视图中的轮廓线仍需完整画出而不中断。重合断面为对称图形时,不加标注。

重合断面画法与标注

重合断面为不对称图形时,应标出剖切符号及箭头,可以省略名称。

点击取消回复

    分类

    在线客服x

    客服
    顶部 回到顶部
    Baidu
    map